Новость

ЦОС на FPGA: простой КИХ фильтр на Veriog

22 марта 2021 г.· FPGA-Systems archive· Заметка

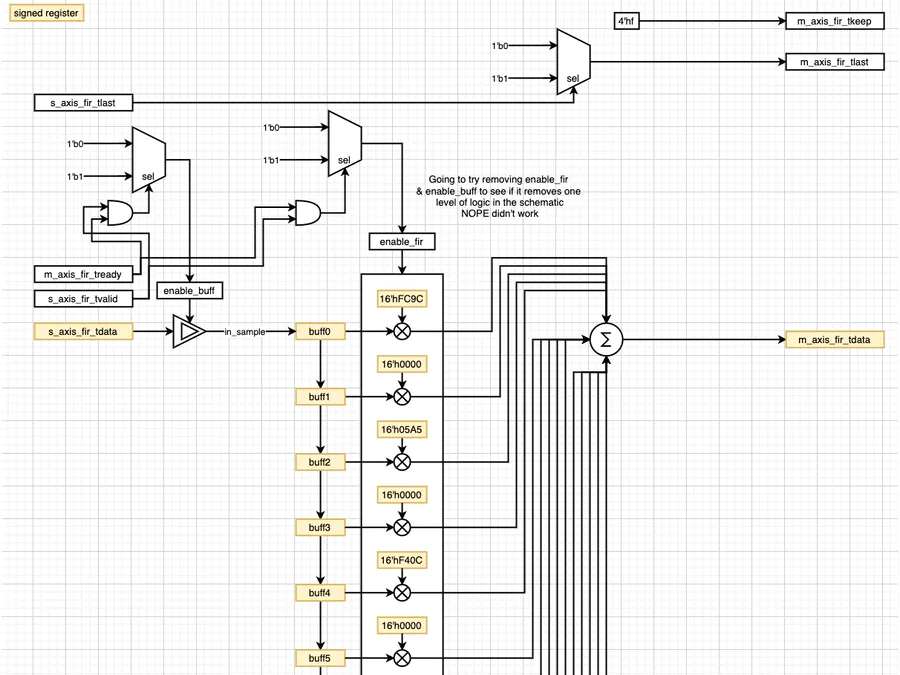
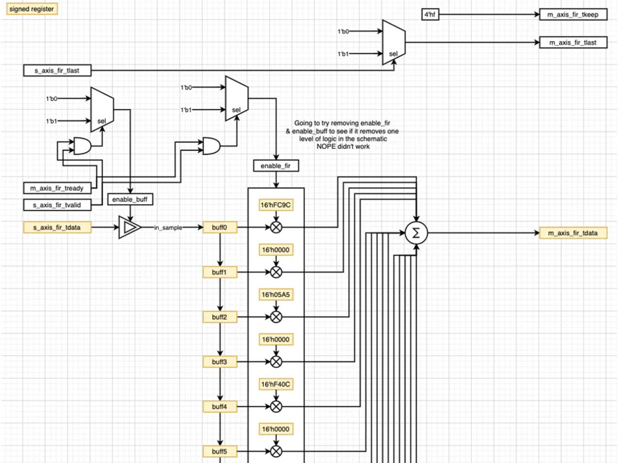
В нашем телеграм чате в последнее время актуальной стала тема цифровой обработки сигналов на ПЛИС. Whitney Knitter c портала hackster.io как будто бы читая наш чат решила написать руководство по разработке простого КИХ фильтра на FPGA с использованием языка...

В нашем телеграм чате в последнее время актуальной стала тема цифровой обработки сигналов на ПЛИС. Whitney Knitter c портала hackster.io как будто бы читая наш чат решила написать руководство по разработке простого КИХ фильтра на FPGA с использованием языка Verilog. Руководство получилось достаточно подробным, чтобы его повторить смог каждый желающий. 

Подробнее с руководством можно ознакомиться по ссылке

Первоисточник