Новость

Мультиплексор тактовых сигналов

1 июля 2021 г.· FPGA-Systems archive· Заметка

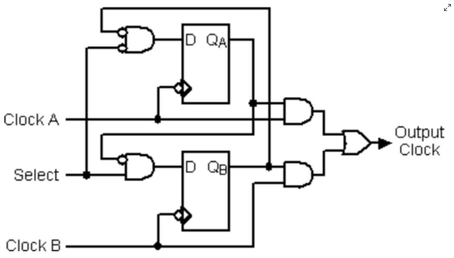
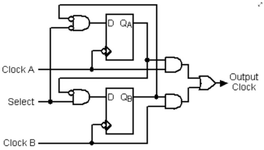
В блоге Адама тейлора появилась интересная заметка по переключению тактовых сигналов. В целом рассматривается, как устроены специальные мультиплексоры переключения тактовых сигналов, которые избавлены от глитч эффектов, которые можно словить, если ис...

В блоге Адама тейлора появилась интересная заметка по переключению тактовых сигналов. В целом рассматривается, как устроены специальные мультиплексоры переключения тактовых сигналов, которые избавлены от глитч эффектов, которые можно словить, если использовать для мультиплексирования клоков обычные мультиплексоры.

Ознакомиться с заметкой

Первоисточник
Мультиплексор тактовых сигналов | FPGA.camp